东莞市邦硕电机有限公司

东莞市邦硕电机有限公司专注减速电机.研发制造十余载

邦硕定制热线0769-82783663
18027553486

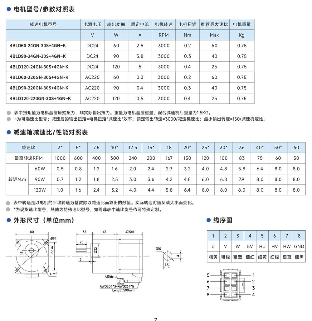
80法兰4BLD60W/4BLD120W

热门关键词: 减速马达 调速电机

全国服务热线

0769-82783663
18027553486
  • 80法兰4BLD60W/4BLD120W
80法兰4BLD60W/4BLD120W

超强扭矩 超低噪音 超长寿命 高可靠性 启动平稳 安装方便 节省空间 免维护

销售热线

18027553486

产品简介 /Introduction
—产品展示—
display

—产品优势—
advantage
更安全

高度洁净生产车间生产,无污染,使用安全。

邦硕产品更安全
更美观

进口数控设备加工,消除毛边,为设备增分。

更美观
精度高

尺寸精度严格符合图纸要求,高度匹配设备。

精度高
易使用

结构设计合理,装配理想,使用便捷效率高。

易使用
—公司优势—
advantage
10多年电机研发生产经验 结构好适配性强

大型独立生产厂房,可进行标准化规模生产,也可以进行行业定制生产,让客户自由选择我们的产品。

技术班底深厚,参与各种行业应用电机研发,提供合理化建议,优化配置。

邦硕工厂
仓库库存充裕 交付快供货及时

大型生产基地及仓储基地,能够承接不同电机型号规格出货。

进口配套数控设备及数十台不同规格电机检测设备,提升生产效率,交付快

邦硕仓库
高标准洁净生产车间 品质优安全放心

拥有洁净生产车间,通过ISO9001质量管理认证,减少加工污染源。

流程管理严格,从生产、装配、检测、包装等严格执行操作标准,严控品质。

高标准洁净生产车间
支持全面更贴心 服务好合作省心

特殊需求定制支持小批量及样件供应,全力配合厂商需求

电机安装使用提供操作文档,长期跟踪售后服务使用,让您无后顾之忧。

邦硕企业优势

关于邦硕 ABOUT US

东莞市邦硕电机有限公司专业致力于生产销售:中小型交流、直流减速(调速)电机、齿轮减速电机、刹车电机、直流无刷电机、机器人专用高精度行星减速机,步进电机等。...

愿景:用心做好每一台电机

查看详情
在线客服
QQ咨询
咨询电话
0769-82783663
客户经理
18027553486
回到顶部